has been added to your cart!
Quiz: has been added to your profile!
Your cart has been updated!
The coupon code has been applied to your cart!
The coupon code has been removed from your cart!
is not a valid coupon code!
Only one coupon is allowed per order!
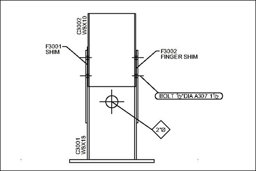
Bring the job site to life through a hands-on column splice exercise.
Download Shop Documents & Activity Guide